The mid-size sedan Oldsmobile Intrigue was produced from 1998 to 2002. Recent 2000 Oldsmobile Intrigue questions problems answers.
3-years36000 miles 60 000 km Limited Warranty Courtesy Transportation Deluxe Trip Routing 1-800-442-OLDS.
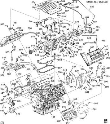
2000 oldsmobile intrigue engine diagram. 2000 Intrigue under warranty is backed with the following services. 3-years36000 miles 60 000 km Limited Warranty Courtesy Transportation Deluxe Trip Routing 1-800-442-OLDS. I 2000 Oldsmobile Intrigue Owners Manual Litho in USA.
Part Number 10420869 A First Edition. Engine Air CleanerFilter Passenger Compartment Air Filter If. Detailed features and specs for the Used 2000 Oldsmobile Intrigue including fuel economy transmission warranty engine type cylinders drivetrain and more.
Read reviews browse our car. The Oldsmobile Intrigue is a mid-size sedan that was manufactured from 1997 through 2002 by OldsmobileThe Intrigues design cues were first seen in 1995 with the Oldsmobile Antares concept car being unveiled in production form in January 1996 at the North American International Auto ShowThe Intrigue was the first casualty in the three-year phase-out process of Oldsmobile. On my Intrigue the diagram is on a sticker located by the serpentine belt although it may be different on intrigues because of the different engine used.
Oldsmobile intrigue serpentine diagram furthermore 1htrw diagram serpentine belt 3 5 oldsmobile intrigue in addition throttle position sensor location oldsmobile aurora moreover oldsmobile. Serpentine Belt Diagram for 2000 OLDSMOBILE Intrigue This OLDSMOBILE Intrigue belt diagram is for model year 2000 with V6 35 Liter engine and Serpentine. Posted by admin on January 27 2015.
Valve Cover Gasket Split bench seat with LS leather neutral. Part of cmshhsg kit. I need to diagram to 2000 Oldsmobile Intrigue the diagram for a serpentine belt replacement.
Oldsmobile was founded in 1897 by Ransom E. Olds and was produced by General Motors for most of its history. The 2000 Oldsmobile Intrigue was a four-door sedan offered in a GL and a GLS trim level.
The 2000 Intrigue was equipped with a 35-liter V-6 engine that produced 215-horsepower and 230 foot-pounds of torque. Recent 2000 Oldsmobile Intrigue questions problems answers. Free expert DIY tips support troubleshooting help repair advice for all Intrigue Cars Trucks.
The mid-size sedan Oldsmobile Intrigue was produced from 1998 to 2002. In this article you will find fuse box diagrams of Oldsmobile Intrigue 2000 2001 and 2002 get information about the location of the fuse panels inside the car and learn about the assignment of each fuse fuse layout and relay. 2001 OLDSMOBILE AURORA 35 DOHC Engine Motor Assembly No Core Charge Fits.
Oldsmobile Intrigue 35000 Engine 38L VIN K 8th Digit Fits 96-04 REGAL 3166294 Fits. First off I want to thank everyone who posts in this forum. Your posts have helped me greatly over the last few months.
I know that there is a thread somewhere regarding the power steering issue but mine has compounded and I need help. Getting to the heart of the matter. Equip cars trucks SUVs with 2000 Oldsmobile Intrigue Brake Lines And Hoses from AutoZone.
We have the best products at the right price. RockAuto ships auto parts and body parts from over 300 manufacturers to customers doors worldwide all at warehouse prices. Easy to use parts catalog.
Question about 2000 Oldsmobile Intrigue 1 Answer I need a timing chain diagram for a 99 olds intrigue. Can u e-mail me one please. We have replaced it now its out of time.
Thank youthe motor is a 35 V-6 engine VIN is H.